четверг, 5 мая 2011 г.

Расчет осадки свайного ростверка. (Пример проверки)

image



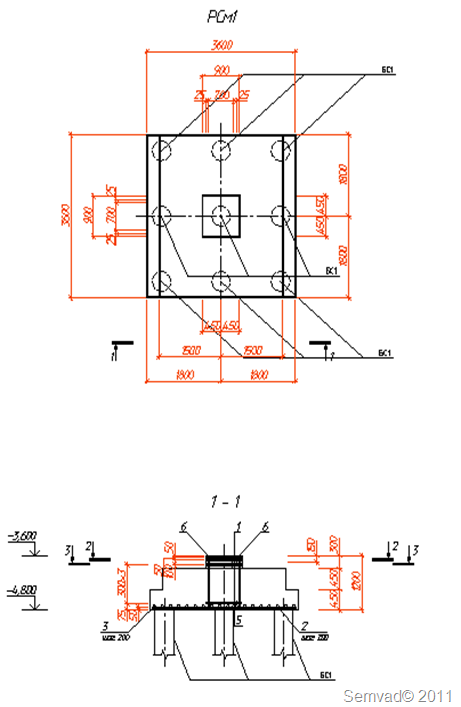
Расчет осадки свайного фундамента Рсм1 с учетом взаимного влияния свай в кусте.
Расчетная нагрузка на одну сваю ростверка Рсм1.
(п. 3.11 СНиП 2.02.03, п.7.1.12 СП 50-102-2003)
clip_image002

clip_image004

-колличество свай в ростверке
Нагрузки:
clip_image006

clip_image008

clip_image010

clip_image012

-сумма расстояний от оси каждой сваи до главной оси ростверка
clip_image014

clip_image016

-расстояние оси сваи для которой определяют нагрузку до главной оси ростверка
clip_image018

clip_image020

clip_image022

7.4.4. Для расчета осадки свайного фундамента с учетом взаимного влияния свай в кусте необходимо определить осадку одиночной сваи.
Осадку s, м, одиночной висячей сваи следует определять по формуле:
clip_image024

(7.35)
где P - нагрузка на сваю, кН
clip_image022[1]

Is - коэффициент влияния осадки, зависящий:
для жесткой сваи - от отношения l/d, для сжимаемой сваи-
от отношения l/d и от относительной жесткости сваи λ=Ep/Esl,
где Ep - модуль упругости материала сваи, кПа;
Esl - модуль деформации грунта на уровне подошвы сваи, кПа;
clip_image026

clip_image028

clip_image030

clip_image032

clip_image034

d - диаметр или сторона квадратной сваи, м;
l - длина сваи, м.
clip_image036

clip_image038

clip_image040
7.4.5 Коэффициент влияния осадки Is в формуле (7.35) для жесткой сваи определяют по формуле:
clip_image042

clip_image044

(7.36)
clip_image046
clip_image040[1]
Значения коэффициента Is для сжимаемой сваи приведены в таблице 7.18.
clip_image048

clip_image032[1]

clip_image050

clip_image052

clip_image046[1]
clip_image054

clip_image056

7.4.6 При определении модуля деформации грунта ESL следует учитывать, что наиболее
достоверное его значение может быть получено по результатам полевых испытаний свай (при наличии на объекте более 100 свай).
При использовании результатов статического зондирования рекомендуется принимать
следующие минимальные значения ESL в зависимости от сопротивления зондированию qс:
- в песках
clip_image058

- в глинистых грунтах
clip_image060

7.4.7 Осадку группы свай sG, м, при расстоянии между сваями до 7d с учетом взаимного влияния свай в кусте определяют на основе численного решения, учитывающего увеличение осадки сваи в кусте против осадки одиночной сваи при той же нагрузке, гибкость l/d и жесткость λ свай, по формуле
clip_image062

clip_image064

clip_image066

clip_image068

clip_image070

clip_image072

( меньше допустимой осадки 8 см)
где s1 - осадка одиночной сваи при принятой на нее нагрузке, определяемая по формуле (7.35);
Rs - коэффициент увеличения осадки (7.4.8).
7.4.8 При использовании осадки одиночной сваи для проектирования свайных кустов и
полей следует учитывать, что осадка группы свай в результате их взаимодействия в свайном фундаменте увеличивается, что учитывают коэффициентом увеличения осадки Rs (таблица 7.19).
clip_image074

Общее число свай n определяют с учетом удовлетворения двух условий: осадка группы
свай sG должна быть в пределах допустимой, а нагрузка на одиночную сваю P1 должна
соответствовать нагрузке, определяемой по формуле (7.35) при осадке, равной s1= sG/Rs.
7.4.9 Таблица 7.19 составлена для свай, объединенных жестким ростверком,
расположенным над поверхностью грунта или на слое относительно слабых поверхностных грунтов, когда ростверк практически не влияет на осадку группы свай.
При низком ростверке со сваями под отдельные колонны (кусты свай), не связанные
общей плитой, значения Rs в таблице 7.19 могут быть уменьшены за счет работы ростверка, расположенного на грунте, в зависимости от отношения расстояния a между осями свай к их диаметру d:
при a/d = 3 - на 10 %
при a/d = 5 - 10 - на 15 %
Проверку расчетного сопротивления грунта основания подошвы свайного ростверка
производят в соответствии со СНиП 2.02.01.


Vadim Semenov(с) 2012. Email: 5587394@mail.ru

























































































































Комментариев нет:

Отправить комментарий